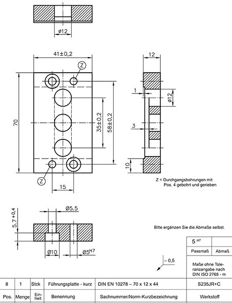
Handhabungsgerät_VI - Baugruppe 4 - Führungsplatte kurz


 

In der Baugruppe 4 können zwei unterschiedliche Führungsplatten hergestellt werden.


Die abgebildete kurze Führungsplatte ist z. B. für Mechatroniker vorgesehen.

Die lange Führungsplatte ist für Werkzeugmechaniker und andere Metallberufe vorgesehen, die in der Baugruppe 5 eine formschlüssige Verbindung zwischen der Führungsplatte und der Querleiste herstellen wollen.

                                               zurück zur Baugruppe 4

                              Sie können folgendes Lernmaterial zum HHG_VI bei uns beziehen: